Integrity Life
Life Insurance start up
2021
Improving operational efficiency, reduce risk, and support adviser satisfaction at scale.
Project snapshot
Challenge
As Integrity Life scaled, underwriting and customer care teams were managing growing volumes through a task system that lacked context, prioritisation, and SLA visibility. This created manual workarounds, slowed operations, and risked adviser satisfaction.
What I did
I led the end-to-end redesign of the internal task management system and core application workflow, spanning research, UX/UI design, workflow design, business analysis, testing, agile delivery, and change management. I partnered with internal users, stakeholders, and developers to improve how tasks were raised, prioritised, and actioned.
Outcome
The redesigned system improved operational efficiency, removed spreadsheet workarounds, and delivered an estimated $235K in first-year savings. It also reduced operational risk and created a stronger foundation for scale through the move to Camunda.
Role
Senior UX/UI Designer, Business Analyst, Tester
Focus
Internal tool and workflow redesign
Users
Customer Care, Underwriting, BDMs
Team
Led by me with 1 Frontend Developer and 1 Camunda Developer plus Customer Care and Underwriting representatives and cross-functional stakeholders
Impact
Estimated $235K saved in year one
Context and opportunity
Improving internal workflow efficiency became critical to maintaining adviser satisfaction at scale
Adviser feedback, operational analysis, and rising application volumes highlighted task management and workflow handling as key pressure points for the underwriting and customer care teams responsible for progressing applications within service level agreement (SLA) targets meanwhile maintaining adviser satisfaction.
The existing solution
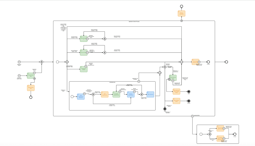
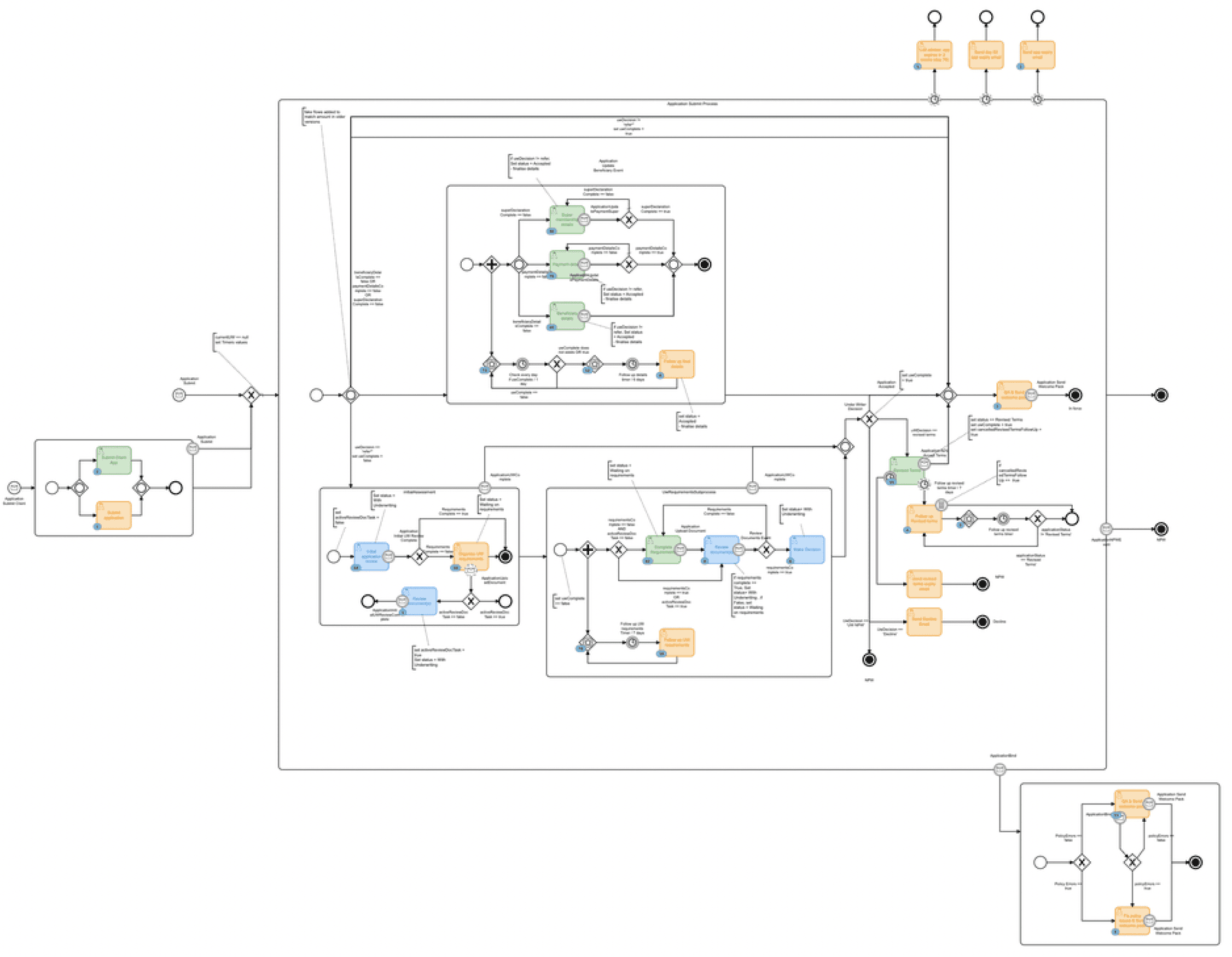
The existing task system had been designed as a minimum viable product (MVP) and no longer supported the complexity or scale of day-to-day work. At the same time, Integrity decided to replatform workflow management to Camunda, creating an opportunity to redesign the application workflow and improve the underlying task logic as part of the move. This allowed me to improve both the user experience and the operational workflow together.

The problem to solve
Five core issues that made the task system inefficient, harder to learn and difficult to prioritise
Through observational studies, interviews, and workshops with customer care and underwriting teams, I uncovered recurring pain points in both the task experience and the workflow logic behind it.These issues were slowing work down, increasing reliance on manual workarounds, and making it harder to manage tasks consistently within SLA expectations.
1. Cluttered task lists
Tasks were being raised even when no action was required, creating noise and making it harder for teams to understand what actually needed attention. more text
2. Poor visibility of priorities and SLAs
Users had limited visibility of due dates, overdue work, and time in the current state, making it difficult to prioritise effectively and stay on top of service expectations.
3. Lack of task context
Clicking on a task took users to the application or client view without enough task-specific context, forcing them to remember details or rely on external notes.
4. Low learnability
The system gave users little guidance on what a task meant or how it should be completed, making onboarding harder and increasing reliance on separate supporting materials.
5. Manual workarounds
Teams had adapted their own ways of coping, including spreadsheets for follow-ups and comments, and exporting task lists into Excel for a better overview. These workarounds created inefficiency and increased operational risk.
My approach
I used qualitative research, co-design, and iterative delivery to redesign both the task experience and the workflow behind it
To solve the problem, I worked across discovery, definition, design, and delivery, improving not only the task interface but also the workflow logic driving how tasks were raised, prioritised, and completed. I partnered closely with representatives from customer care and underwriting to understand day-to-day needs, validate ideas, and co-design a solution grounded in real operational practice.
Because the project was resource-constrained, I also stepped beyond a traditional UX/UI design role and contributed as a business analyst and tester so we could deliver a better experience to our internal users faster. I was closely involved from early problem framing through implementation, beta launch, rollout, and change management, helping the team move from insight to delivery in a practical and efficient way.
What this involved
Discovery
Conducted observational studies, interviews, and workshops to understand current pain points, workflows, and user needs.
Definition
Synthesised findings through affinity mapping, defined use cases, clarified scope, and aligned stakeholders on priorities.
Design
Explored solution concepts, co-designed with users, created prototypes, and iterated with input from both users and developers.
Delivery
Ran usability testing, refined designs for implementation, worked closely with developers in an agile team and supported beta launch and rollout.
Change management
Created training materials, supported team transition, and set up feedback channels for continuous improvement after launch.
Shaping the solution
I redesigned the task system and workflow together to enable users to focus on actions needed and move work forward
The issues identified in research were closely connected: the task list could not be meaningfully improved without also improving the workflow logic behind how tasks were generated, updated, and completed. I therefore worked on both the task management experience and the underlying application workflow in parallel, so the solution would address not just usability issues on the surface, but the operational logic driving them.
I translated research insights into prioritised use cases, validated them with customer care and underwriting representatives, and worked with stakeholders to define scope and secure business alignment. This created a shared foundation for design and delivery, while helping focus the work on the changes that would have the biggest impact on day-to-day efficiency.
Key design goals
Reduce noise in the task list
Ensure users only received tasks when action was actually required.
Improve prioritisation
Make it easier to see what was overdue, what needed attention first, and how work was tracking against SLAs.
Add clearer task context
Help users understand what a task meant, what action was needed, and where it sat within the broader case.
Support follow-up work more effectively
Enable users to schedule follow-ups, add comments, and keep track of work without relying on spreadsheets.
Improve learnability and consistency
Make tasks easier to understand and complete, including for newer team members.
Align the interface with the workflow behind it
Redesign task handling and workflow logic together so the experience worked as one coherent system.
Exploring the task experience
I explored different ways of showing task context and actions, weighing user input against implementation effort
A key challenge was that users needed more than a better task list — they also needed enough context to understand each task, decide what action to take, and move work forward efficiently. I explored multiple ways of presenting task information and actions, looking at how the experience could support both usability and operational reality.
Working closely with customer care and underwriting representatives, I tested different concepts for how tasks could be viewed and actioned within the system. I also collaborated with developers to understand implementation trade-offs, so the solution would balance user needs with delivery practicality.
I developed and reviewed three concept directions for how tasks could be accessed and used within the workflow, each with different strengths in usability, visibility, and implementation effort.
Option 1 Persistent task panel
Tasks followed the user as they navigated through the system, making active work easy to access and keeping task actions close at hand.
Option 2 Task at the top of the case view
The selected task appeared at the top of the application or client view, giving users direct context while allowing the task to stay prominent.
Option 3 Task embedded in the case view
Tasks were shown as part of the application or client view itself, with the selected task expanded by default and other related tasks available within the same table.
Design Decision 01
Embedding tasks in the case view gave users clearer context and was the most practical solution to implement
This option created a stronger connection between each task and the case it belonged to, reducing the need for users to remember information across views. It improved learnability by keeping relevant task details visible in context and allowed the same table component to be reused in both the task list and case view. This delivered the core improvements users needed while keeping the solution pragmatic within project constraints. A bonus feature was that all internal users easily could get a wholistic view of each case and who is working which tasks. That was especially appreciated by BDMs that were viewing cases in dialog with their advisers.
Design Decision 02
Updating the task list made priorities and overdue work easier to scan within delivery constraints
The task list needed to become easier to scan and prioritise without requiring a full visual redesign. Working within the existing list structure and implementation constraints, I refined the information shown, highlighted overdue work, and introduced default filtering and priority-based sorting. This improved visibility of what needed action first while keeping the solution practical to deliver.
Design Decision 03
Adding follow-ups and comment functionality made ongoing task handling easier, reduced risk and replaced workarounds
Users needed a way to schedule follow-ups, track progress, and capture additional information to the case without relying on spreadsheets or separate notes. Testing showed that existing UI patterns did not support this interaction well enough, so I designed a new follow-up and comment component and introduced it into the design library. I used usability insights, developer input, and stakeholder reviews to build the case for the new component, secure approval, and take it through visual refinement and implementation. This made ongoing task handling easier, reduced operational risk, and replaced spreadsheet workarounds with a more scalable in-product solution.
Design Decision 04
Redesigning the workflow logic alongside the interface reduced task noise and removed unnecessary tasks
Improving the task experience required more than changes to the interface. I redesigned the underlying workflow logic so tasks were raised more intentionally and only when action was needed. This reduced clutter, clarified priorities, and helped teams focus on progressing work more efficiently. I also introduced contextual follow-up tasks, including weekly adviser follow-ups and prompts before applications were due to expire, as part of a redesigned workflow rhythm intended to keep applications moving and reduce delays. To shape and validate the workflow, I ran workshops with key teams and then secured sign-off from Operations, Legal, Marketing, and Customer Experience before implementation.
Delivery and rollout
I worked closely with the team through agile delivery, beta rollout and change management
I worked in a small agile team with a frontend developer and a Camunda developer to implement the redesigned task experience and workflow. Due to resource constraints, I also contributed as a business analyst and tester, helping move the work from design into delivery.
We launched a beta with dedicated users from customer care and underwriting, using their feedback to fix issues, refine the solution, and guide the next iterations. After that, I supported the broader rollout through training, documentation, and feedback channels, helping the business adopt the new workflow and continue improving it after launch.
Outcome and impact
Delivered an estimated $235K in first-year savings by increasing efficiency and removing workarounds
Beyond improving efficiency, the new solution replaced spreadsheet-based workarounds that had introduced operational risk and inconsistency into the process. The solution also improved "peace of mind" for the internal staff that they had not missed anything and created a wholistic view of the applications. The estimated $235K in first-year savings reflected the value realised from the functionality delivered at that stage, with projected savings expected to increase further as Integrity scaled. 75% of the functionality was delivered before the project got paused in favour of new higher priorities corresponding to 75% of the expected the expected efficiency uplift.
Reflection
Improving operational efficiency benefits of targeting both the interface and the workflow behind it
By working across research, workflow design, delivery and change management, I was able to help shape a solution that was not only easier to use, but also more practical to implement and adopt. It also showed the value of staying close to users throughout delivery, especially in resource-constrained environments where design decisions need to balance user needs, business priorities, and implementation reality.
Key takeaways
Improved operational efficiency
Replaced manual workarounds
Reduced risk and inconsistency
Increased user and managers peace of mind
Supported scalable workflow delivery
My contribution
Led research and co-design with primary users
Defined pain points, use cases and workflow logic
Designed the task experience and a new design library component
Aligned stakeholders and secured cross-functional sign-off
Supported delivery, testing, rollout, and change management
Confidentiality note
Some workflow visuals and detailed business rules have been simplified for confidentiality. I’m happy to talk through the project in more detail in interview.




























